如何设计低BOM成本替代TR5511EDP转LVDS转接板,并理解TR5511芯片规格书与设计原理图?
- 内容介绍
- 文章标签
- 相关推荐
本文共计1053个文字,预计阅读时间需要5分钟。
TR5511是一款高性能的eDP到LVDS转换器,配置灵活,适用于低成本显示系统。TR5511兼容eDP+1.2,支持每车道速度为1.62Gbps和2.7Gbps的1车道和2车道模式。凭借先进的SerDes技术,TR5511可实现低误码率恢复。
TR5511是一种eDP到LVDS转换器,配置灵活,适用于低成本显示系统。TR5511符合eDP 1.2,支持每车道速度为1.62Gbps和2.7Gbps的1车道和2车道模式。凭借强大的SerDes技术,TR5511可以以低误码率恢复高速串行数据。TR5511 LVDS发射器支持单端口和双端口模式。TR5511支持的最大分辨率为WUXGA(1920x1200)。通过4个配置引脚,TR5511可以支持16种不同面板分辨率和LVDS工作模式的组合,具有一个EEPROM图像。还提供了一个方便的工具来编辑、生成和更新EEPROM图像,以进行自定义配置。
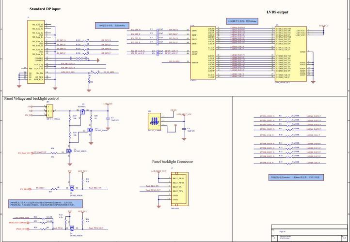
CS5211也一款EDP转LVDS的桥接芯片,可将eDP输入转换为LVDS信号。CS5211的高级接收器支持嵌入式显示端口(eDP)1.1规范。该设备将解码RGB格式的高速eDP的交流耦合差分信号,并驱动与LVDS接口集成的TFT面板。内置LVDS发射机配备灵活的OpenLDI/SPWG位映射,能够驱动单端口或双端口(18/24位)LVDS面板。CS5211的LVDS输出可以配置为支持高达1920x1200分辨率,刷新率为60赫兹。此外,CS5211还具有背光逆变器控制、亮度调节、图像抖动算法和EMI抑制机制等增强显示功能,有利于系统制造商。
CS5211的优势在于:CS5211 LVDS发射机支持单端口和双端口模式。CS5211支持的最大分辨率是WUXGA(1920x1200)。
本文共计1053个文字,预计阅读时间需要5分钟。
TR5511是一款高性能的eDP到LVDS转换器,配置灵活,适用于低成本显示系统。TR5511兼容eDP+1.2,支持每车道速度为1.62Gbps和2.7Gbps的1车道和2车道模式。凭借先进的SerDes技术,TR5511可实现低误码率恢复。
TR5511是一种eDP到LVDS转换器,配置灵活,适用于低成本显示系统。TR5511符合eDP 1.2,支持每车道速度为1.62Gbps和2.7Gbps的1车道和2车道模式。凭借强大的SerDes技术,TR5511可以以低误码率恢复高速串行数据。TR5511 LVDS发射器支持单端口和双端口模式。TR5511支持的最大分辨率为WUXGA(1920x1200)。通过4个配置引脚,TR5511可以支持16种不同面板分辨率和LVDS工作模式的组合,具有一个EEPROM图像。还提供了一个方便的工具来编辑、生成和更新EEPROM图像,以进行自定义配置。
CS5211也一款EDP转LVDS的桥接芯片,可将eDP输入转换为LVDS信号。CS5211的高级接收器支持嵌入式显示端口(eDP)1.1规范。该设备将解码RGB格式的高速eDP的交流耦合差分信号,并驱动与LVDS接口集成的TFT面板。内置LVDS发射机配备灵活的OpenLDI/SPWG位映射,能够驱动单端口或双端口(18/24位)LVDS面板。CS5211的LVDS输出可以配置为支持高达1920x1200分辨率,刷新率为60赫兹。此外,CS5211还具有背光逆变器控制、亮度调节、图像抖动算法和EMI抑制机制等增强显示功能,有利于系统制造商。
CS5211的优势在于:CS5211 LVDS发射机支持单端口和双端口模式。CS5211支持的最大分辨率是WUXGA(1920x1200)。

