C++中多态虚函数的底层原理是如何实现和运作的?
- 内容介绍
- 文章标签
- 相关推荐
本文共计1192个文字,预计阅读时间需要5分钟。
目录
1.多态的基本概念
1.1 什么是多态? 1.2 如何实现多态?2.虚函数的底层原理
1. 多态的基本概念 1.1 什么是多态? 多态是指在多种不同的继承关系中,对象可以调用同一函数,但根据对象的实际类型,执行不同的操作。 1.2 如何实现多态? 多态通常通过继承和虚函数来实现。通过继承,可以创建具有相同方法名的不同类;通过虚函数,可以在基类中声明一个函数为虚函数,使其在派生类中可以被重写,从而实现多态。目录
- 1多态的基本概念
- 1.1 什么是多态?
- 1.2 怎么实现多态
- 2 虚函数的底层原理
1多态的基本概念
1.1 什么是多态?
- 多态是在不同继承关系的类对象,去调用同一函数,产生了不同的行为,通常是父类调用子类的重写函数,在C++中就是 父类指针指向子类对象,此时父类指针的向下引用就可以实现多态
比如看下面的代码:
class Animal { public: //虚函数 virtual void speak() { cout << "动物在说话" << endl; } virtual void eat(int a ) { cout << "动物在吃饭" << endl; } }; class Cat :public Animal { public: void speak() { cout << "小猫在说话" << endl; } void eat(int a) { cout << "小猫在吃饭" << endl; } }; class Dog :public Animal { public: void speak() { cout << "小狗在说话" << endl; } };
这两个类实现集成关系,简单来说就是 Animal是父类,Cat是子类,通过父类引用调用子类函数,这就是多态(字面意思就是一个对象多个状态),这样就 符合** 高内聚低耦合** 的设计原则,更容易 后期维护与修改
1.2 怎么实现多态
说了这么多,那么多态到底怎么实现呢?
- 想必上面代码中也已经透露出了一些信息,并且十分关键。没错,就是virtual,字面意思是 虚拟的,而也的确如此,这个关键字修饰的 函数,叫做虚函数,拥有虚函数的 类,被称为抽象类(虚类),virtual是实现多态的必要不充分条件
- 同时 ,子类要重写父类的虚函数,什么叫重写?就是函数类型,函数名,参数列表完全相同。
- 并且父类指针还要指向子类对象,
正如下所示:
void doSpeak(Animal & animal) //Animal & animal = cat; { animal.speak(); } void test01() { Cat cat; doSpeak(cat); Dog dog; doSpeak(dog); }
如此方能满足实现多态的三个条件:
- 注:如果没有多态,那么父类指向子类时就无法调用子类函数,也就是此时该函数地址早就绑定好了,只能是animal说话,属于静态联编(静态);如果想调用小猫说话,这个时候函数的地址就不能早就绑定好,而是在运行阶段再去绑定函数地址,属于地址晚绑定,叫动态联编,(动态)多态的实现就是依靠动态联编。
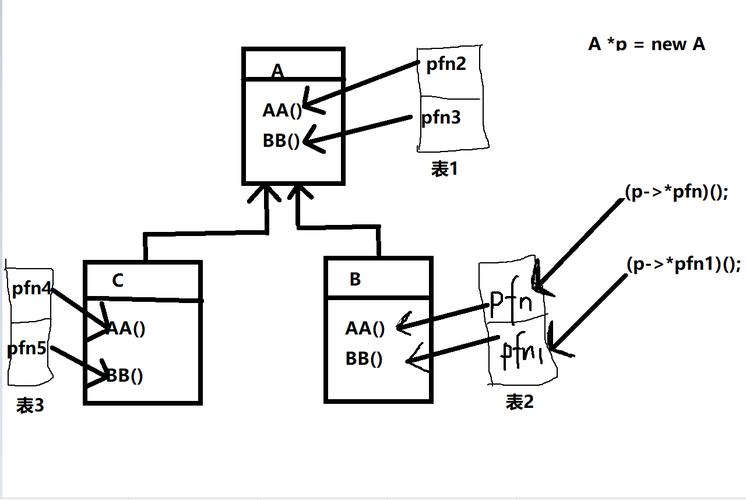
2 虚函数的底层原理
那么虚函数到底是怎么工作的呢?
void test02() { Animal * animal = new Cat; ((void(*)()) (*(int *)*(int *)animal)) (); typedef void( __stdcall *FUNPOINT)(int); (FUNPOINT (*((int*)*(int*)animal + 1)))(10); }
Animal * animal = new Cat;
就是animal->speak();
((void(*)()) (*(int *)*(int *)animal)) ();
这里*(int *)animal解引用到虚函数表中,先将animal类型的指针强转为int *,然后解引用得到int类型的值放到虚函数表中,然后偏移相应位置指向speak()
((void(*)()) (*(int *)*(int *)animal)) ();
调用猫说话,因为C/C++默认调用惯例__cdecl,而用下列调用时 是__stdcall
typedef void( __stdcall *FUNPOINT)(int); (FUNPOINT (*((int*)*(int*)animal + 1)))(10);
到此这篇关于C++ 多态虚函数的底层原理深入理解的文章就介绍到这了,更多相关C++ 多态虚函数内容请搜索自由互联以前的文章或继续浏览下面的相关文章希望大家以后多多支持自由互联!
本文共计1192个文字,预计阅读时间需要5分钟。
目录
1.多态的基本概念
1.1 什么是多态? 1.2 如何实现多态?2.虚函数的底层原理
1. 多态的基本概念 1.1 什么是多态? 多态是指在多种不同的继承关系中,对象可以调用同一函数,但根据对象的实际类型,执行不同的操作。 1.2 如何实现多态? 多态通常通过继承和虚函数来实现。通过继承,可以创建具有相同方法名的不同类;通过虚函数,可以在基类中声明一个函数为虚函数,使其在派生类中可以被重写,从而实现多态。目录
- 1多态的基本概念
- 1.1 什么是多态?
- 1.2 怎么实现多态
- 2 虚函数的底层原理
1多态的基本概念
1.1 什么是多态?
- 多态是在不同继承关系的类对象,去调用同一函数,产生了不同的行为,通常是父类调用子类的重写函数,在C++中就是 父类指针指向子类对象,此时父类指针的向下引用就可以实现多态
比如看下面的代码:
class Animal { public: //虚函数 virtual void speak() { cout << "动物在说话" << endl; } virtual void eat(int a ) { cout << "动物在吃饭" << endl; } }; class Cat :public Animal { public: void speak() { cout << "小猫在说话" << endl; } void eat(int a) { cout << "小猫在吃饭" << endl; } }; class Dog :public Animal { public: void speak() { cout << "小狗在说话" << endl; } };
这两个类实现集成关系,简单来说就是 Animal是父类,Cat是子类,通过父类引用调用子类函数,这就是多态(字面意思就是一个对象多个状态),这样就 符合** 高内聚低耦合** 的设计原则,更容易 后期维护与修改
1.2 怎么实现多态
说了这么多,那么多态到底怎么实现呢?
- 想必上面代码中也已经透露出了一些信息,并且十分关键。没错,就是virtual,字面意思是 虚拟的,而也的确如此,这个关键字修饰的 函数,叫做虚函数,拥有虚函数的 类,被称为抽象类(虚类),virtual是实现多态的必要不充分条件
- 同时 ,子类要重写父类的虚函数,什么叫重写?就是函数类型,函数名,参数列表完全相同。
- 并且父类指针还要指向子类对象,
正如下所示:
void doSpeak(Animal & animal) //Animal & animal = cat; { animal.speak(); } void test01() { Cat cat; doSpeak(cat); Dog dog; doSpeak(dog); }
如此方能满足实现多态的三个条件:
- 注:如果没有多态,那么父类指向子类时就无法调用子类函数,也就是此时该函数地址早就绑定好了,只能是animal说话,属于静态联编(静态);如果想调用小猫说话,这个时候函数的地址就不能早就绑定好,而是在运行阶段再去绑定函数地址,属于地址晚绑定,叫动态联编,(动态)多态的实现就是依靠动态联编。
2 虚函数的底层原理
那么虚函数到底是怎么工作的呢?
void test02() { Animal * animal = new Cat; ((void(*)()) (*(int *)*(int *)animal)) (); typedef void( __stdcall *FUNPOINT)(int); (FUNPOINT (*((int*)*(int*)animal + 1)))(10); }
Animal * animal = new Cat;
就是animal->speak();
((void(*)()) (*(int *)*(int *)animal)) ();
这里*(int *)animal解引用到虚函数表中,先将animal类型的指针强转为int *,然后解引用得到int类型的值放到虚函数表中,然后偏移相应位置指向speak()
((void(*)()) (*(int *)*(int *)animal)) ();
调用猫说话,因为C/C++默认调用惯例__cdecl,而用下列调用时 是__stdcall
typedef void( __stdcall *FUNPOINT)(int); (FUNPOINT (*((int*)*(int*)animal + 1)))(10);
到此这篇关于C++ 多态虚函数的底层原理深入理解的文章就介绍到这了,更多相关C++ 多态虚函数内容请搜索自由互联以前的文章或继续浏览下面的相关文章希望大家以后多多支持自由互联!

