如何将rc带通滤波器电路图设计成一个长尾关键词?
- 内容介绍
- 文章标签
- 相关推荐
本文共计277个文字,预计阅读时间需要2分钟。
现在的滤波器大多由R、C元件与有源器件组成,称谓RC滤波器。常见滤波器类型有低通、高通、带通、带阻、全通等。RC有源带通滤波器。
现在的滤波器大都是由R、C元件与有源器件组成,称为RC有源滤波器。常见滤波器类型有低通滤波器、高通滤波器、带通滤波器、带阻滤波器、全通滤波器等。RC有源带通滤波器带通滤波器允许某一记录下来,方便以后翻~
其他类型的过滤器:
RC有源低通滤波器RC有源高通滤波器RC有源带阻滤波器传统滤波器均由r、l、c等无源元件组成,称为无源滤波器。 当前的滤波器大多由r、c元件和有源设备,例如运算放大器构成,称为RC有源滤波器。
典型的滤波器类型包括低通滤波器、高通滤波器、带通滤波器、带阻滤波器、全通滤波器等。
RC有源带通滤波器的带通滤波器可以使某一频率范围内的信号通过,衰减或抑制该频率范围外的频率信号。 理想的带通滤波器的模式频率特性如下图所示,Wc2和Wc1分别是上下截止频率。
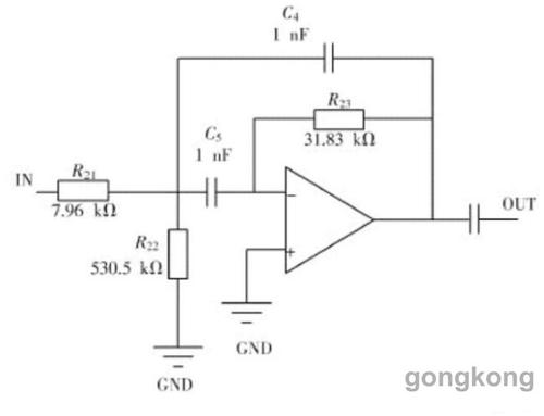
RC有源带通滤波器电路如下图所示。
电压传递函数如下。
其型号:
本文共计277个文字,预计阅读时间需要2分钟。
现在的滤波器大多由R、C元件与有源器件组成,称谓RC滤波器。常见滤波器类型有低通、高通、带通、带阻、全通等。RC有源带通滤波器。
现在的滤波器大都是由R、C元件与有源器件组成,称为RC有源滤波器。常见滤波器类型有低通滤波器、高通滤波器、带通滤波器、带阻滤波器、全通滤波器等。RC有源带通滤波器带通滤波器允许某一记录下来,方便以后翻~
其他类型的过滤器:
RC有源低通滤波器RC有源高通滤波器RC有源带阻滤波器传统滤波器均由r、l、c等无源元件组成,称为无源滤波器。 当前的滤波器大多由r、c元件和有源设备,例如运算放大器构成,称为RC有源滤波器。
典型的滤波器类型包括低通滤波器、高通滤波器、带通滤波器、带阻滤波器、全通滤波器等。
RC有源带通滤波器的带通滤波器可以使某一频率范围内的信号通过,衰减或抑制该频率范围外的频率信号。 理想的带通滤波器的模式频率特性如下图所示,Wc2和Wc1分别是上下截止频率。
RC有源带通滤波器电路如下图所示。
电压传递函数如下。
其型号:

